Douglas - For Sale Items

Douglas 1913 Model P motorcycle

Douglas - Wanted Items

Douglas 1915 3 Spd-Gearbox and Clutch

Recent Posts

Quick Comments

Lat Fuller

2025-07-20, 02:39:50
I am pretty desperate for a rear cylinder for my veteran Douglas 1917 2 3/4hp "W" model.   I there is anyone who may have one of these that can be re-sleeved or know where I may find one I would be very pleased for the help.  I have a number of engine parts that I can exchange such as matching crankcases, conrods, crankshaft, flywheel etc. Any help appreciated.

Lat Fuller

2025-06-04, 05:57:00
Does anyone have the specifications for the oil inlet valve spring for early 2 3/4 engines - Part number 424.   I have tried to order one from the club spares but apparently Jeff Swan is indisposed at the moment.

skapoor

2025-05-19, 09:23:12
I am looking for a carburettor for veteran Douglas motorcycle engine-13651. Could you please help me with this?

New DT tappet adjusters

Started by Doug, 13 Oct 2013 at 23:33

Previous topic - Next topic

0 Members and 1 Guest are viewing this topic.

Doug

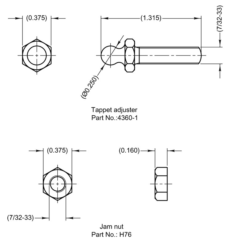
For sale, new Dirt Track tappet adjuster screw (part #4360-1), and jam nut (part #h76).

Also fits: OC, 1925-28 TT, G/H28, F/G31-32, and 1934-35 OW/0W1.


Larger view


Larger view

The adjuster screw and jam nut are CNC machined from shock resistant S7 tool steel, vacuum heat treated and then air tempered to HRc57.

Fully interchangeable with the original, including the special 7/32-33 Douglas threads.

Cost is $18US per adjuster screw, jam nut included. Packing, postage, and insurance at cost.

D. Kephart
Glen Mills, PA, USA


[fix typo. 23Oct22 -Doug]

Doug

Note: Examples of OB tappets have been seen with 1/4-26 thread. So when retrofitting to earlier tappets, be sure to check the thread. These only work with tappets tapped to 7/32-33.

-Doug